HMT - Mechanické kluzné těsnění

KLUZNÉ TĚSNĚNÍ HMT

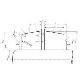
Kluzné těsnění je speciální typ rotačního těsnění. Skládá se ze dvou geometricky shodných kovových těsnicích kroužků a dvou pryžových O-kroužků. Tyto pryžové O-kroužky plní funkci statického těsnění a zároveň vytvářejí přítlačnou silou na oba kovové kroužky jejich stlačením v zástavbovém prostoru. Jeden z kovových kroužků rotuje společně s hřídelí a druhý kroužek zůstává nehybný. Povrch těsnicí plochy obou kovových kroužků je lapovaný a klouže jeden po druhém. Tím je zajištěna těsnost. Těsnicí kroužky jsou k dispozici ze dvou materiálů. Pro povrchové aplikace se používá ložisková ocel 100Cr6. V případě požadavku na delší životnost a chemickou odolnost lze využít litinu.
Materiály a tvrdosti dostupných O-kroužků jsou uvedeny v tabulce.

VÝHODY:

• Předchází kontaminaci a pronikání abrazivních částic do těsněného prostoru
• Zabraňuje lekáži oleje či maziva ven z těsněného prostoru
• Zajišťuje dlouhodobou odolnost proti opotřebení vzhledem k náročnosti aplikací

POUŽITÍ:

Uplatní se především do prostředí s abrazivními částicemi, např. písek, prach, bahno, kamení a tam,  kde je potřeba zajistit dlouhodobý bez údržbový provoz.

Novinky